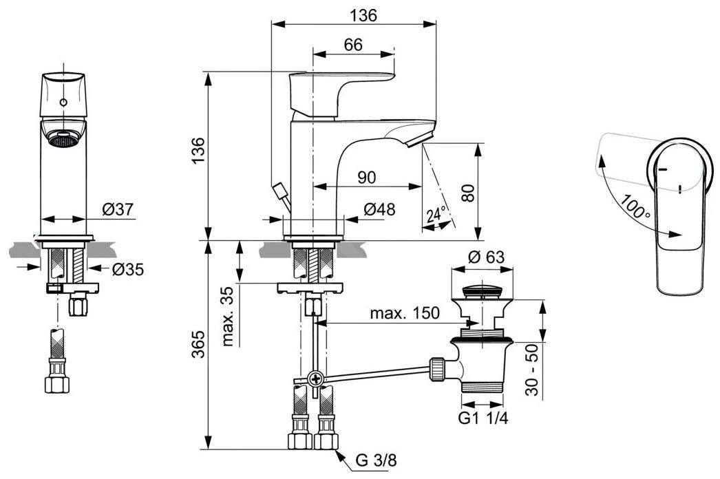
Miscelatore monocomando per lavabo Piccolo Slim
- finitura Magnetic Grey – grigio magnetico
- materiale: ottone
- Tecnologia PVD – processo di applicazione speciale del colore
- presa fissa
- portata a 3 bar 5 l/ min
- TecnologiaBlueStart – consente di risparmiare energia e acqua, se la leva è al centro scorre acqua fredda
- con sistema di scarico G1 1/4
- con tubi flessibili
- EasyFixsistema di fissaggio semplice e veloce
- con anello di centraggio e di tenuta
- cartuccia Ø 25 mm con dischi in ceramica (il miscelatore non gocciola)
- cartuccia Pivot in acciaio inox

















Recensioni
Ancora non ci sono recensioni.